Kartiorullalaakeri 30x62x17,25mm gopart

Kramp
Tuotekoodi: 30206GP
Oma varasto: Tilapäisesti loppu
Tuotteen saatavuus Hinta
Tilaustuote, tiedustele toimitusaika
12,40 €
Toimituskulut alkaen vain 5,90€
Kysyttävää? 010 470 9860

EAN
8716106031696

Hyvä laatu ja vastine rahalle
Kestää suuria säteittäisiä ja yksipuolisia aksiaalisia kuormia

Suljetussa ympäristössä, jossa on rasvaa ja öljyä
Pyöränakselit
Vaihteisto
Aksiaalimäntäpumput
Planeettavaihteisto
Takapyörän keinuvivut
 
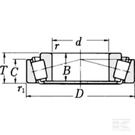
d Sisähalkaisija 30 mm 
D Ulkohalkaisija 62 mm 
T Leveys 17,25 mm 
Tiiviste Aukko 
Laakerin mallin tyyppi Kartiorullalaakerit 
Radiaalinen peruskuorma, staattinen 50600 N 
Radiaalinen peruskuorma, dynaaminen 43300 N 
Maksimi kierrosnopeus 8500 kier/min 
Kierrosnopeus 6300 kier/min 
C Renkaan ulkoleveys 14 mm 
B Sisemmän renkaan leveys 16 mm 
Kpl/pkt 5 kpl