Kartiorullalaakeri 20x47x15,25mm gopart

Kramp
Tuotekoodi: 30204GP
Oma varasto: Tilapäisesti loppu
Tuotteen saatavuus Hinta
Tilaustuote, tiedustele toimitusaika
8,90 €
Toimituskulut alkaen vain 5,90€
Kysyttävää? 010 470 9860

EAN
8716106031672

Hyvä laatu ja vastine rahalle
Kestää suuria säteittäisiä ja yksipuolisia aksiaalisia kuormia

Suljetussa ympäristössä, jossa on rasvaa ja öljyä
Pyöränakselit
Vaihteisto
Aksiaalimäntäpumput
Planeettavaihteisto
Takapyörän keinuvivut
 
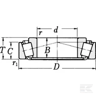
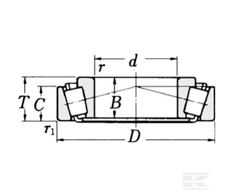
d Sisähalkaisija 20 mm 
D Ulkohalkaisija 47 mm 
T Leveys 15,25 mm 
Tiiviste Aukko 
Laakerin mallin tyyppi Kartiorullalaakerit 
Radiaalinen peruskuorma, staattinen 30900 N 
Radiaalinen peruskuorma, dynaaminen 28200 N 
Maksimi kierrosnopeus 11000 kier/min 
Kierrosnopeus 8000 kier/min  
C Renkaan ulkoleveys 12 mm 
B Sisemmän renkaan leveys 14 mm 
Kpl/pkt 5 kpl