Nivelpää 30 mm, hitsattava

Kramp
Tuotekoodi: GK30DO
Oma varasto: Tilapäisesti loppu
Tuotteen saatavuus Hinta
Tilaustuote, tiedustele toimitusaika
19,20 €
Toimituskulut alkaen vain 5,90€
Kysyttävää? 010 470 9860

EAN
8052461090078

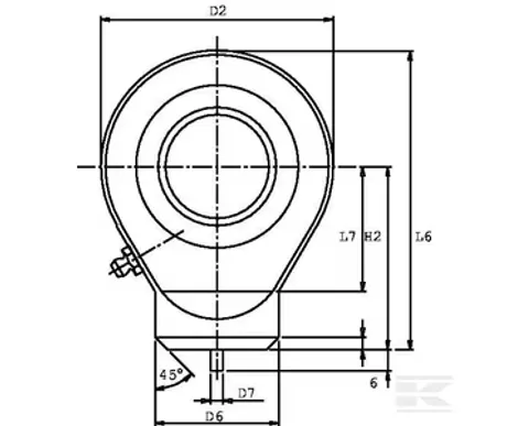
d Reiän halkaisija 30 mm 
B Reiän pituus 22 mm 
D Laakerin ulkohalkaisija 47 mm 
D1 Sisemmän renkaan ulkohalkaisija 34,2 mm 
ß Reunakulma 6 ° 
D7 Keskitapin halkaisija 4 mm 
L7 Akselin ja keskipisteen välinen etäisyys 37 mm  
Akselin halkaisija 40 mm 
H2 Etäisyys reiän keskeltä alaosaan 51 mm 
Pään ulkohalkaisija 73 mm 
C1 Pään leveys (reiän pituus) 19 mm 
L6 Kokonaiskorkeus  87,5 mm
Materiaali Taottu teräs