Nivelpää 20 mm, hitsattava

Kramp
Tuotekoodi: GK20DO
Oma varasto: Tilapäisesti loppu
Tuotteen saatavuus Hinta
Tilaustuote, tiedustele toimitusaika
12,70 €
Toimituskulut alkaen vain 5,90€
Kysyttävää? 010 470 9860

EAN
8052461098203

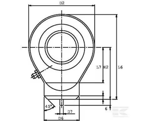
d Reiän halkaisija 20 mm 
B Reiän pituus 16 mm 
D Laakerin ulkohalkaisija 35 mm 
D1 Sisemmän renkaan ulkohalkaisija 24,1 mm 
ß Reunakulma 9 ° 
D7 Keskitapin halkaisija 4 mm 
L7 Akselin ja keskipisteen välinen etäisyys 27 mm 
Akselin halkaisija 27,5 mm 
H2 Etäisyys reiän keskeltä alaosaan 38 mm 
Pään ulkohalkaisija 53 mm 
C1 Pään leveys (reiän pituus) 13 mm 
L6 Kokonaiskorkeus 64,5 mm 
Materiaali Taottu teräs