Liitoslenkki, G80, 13 mm, 5300 kg

Kramp
Tuotekoodi: 15561105013
Oma varasto: Varastossa
Tuotteen saatavuus Hinta
Heti varastossa
25,00 €
Toimituskulut alkaen vain 5,90€
Kysyttävää? 010 470 9860

Kaksoiskiristäjä
 
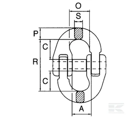
P Profiilin läpimitta 16,6 mm 
Suurin sallittu kuormitus 5300 kg 
R Sisäpituus 84,4 mm 
Tyyppikoodi KBL13 
Paino 690 g 
Tyyppikoodi G80